时间:2024-12-13
近日,北京君正旗下模拟互联芯片业务部门Lumissil Microsystems发布了最新车规级LIN RGB氛围灯驱动芯片IS32LT3183A,进一步丰富了汽车内饰灯解决方案。IS32LT3183A是一款高度集成单芯片智能氛围灯驱动芯片,集成了电源管理、LIN总线收发器、增强型8051 MCU微控制器、内嵌 32KB flash和2KB SRAM于同一芯片上,是真正的片上单芯片系统(SOC)。该芯片采用自研高压工艺集成flash IP,内建最高等级的ECC检测与修正,大大提高了数据的可靠性。4个高压I/O口(40V),可直接驱动RGBW LED,软件可编程恒流源输出,最大电流60mA。每通道独立的16bit (65536阶)PWM,可实现非常细腻RGB混色。该芯片主要应用于汽车内部RGB氛围灯,同时也适合于仪表盘指示灯,电池状态信息指示灯以及车载电子信息显示等通过LIN通信的应用场合。
IS32LT3183A工作电压范围为5.5V~18V,支持最高40V load dump电压。休眠模式供电电流小于60uA,并且能够通过LIN总线唤醒。LIN收发器符合LIN 2.2A标准,支持自动寻址功能(SNPD),波特率最高19.2Kbps。内嵌32KB flash可用于存储LED校准数据、温度补偿系数等用户自定义数据。通过调节4个16 bit PWM占空比,可实现颜色渐变、混色和亮度调节等效果, 另外芯片也创新地支持配置为14bit+2bit Dithering PWM, 通过提高PWM频率,消除相机拍摄视频中的的水波纹闪烁干扰现象 。IS32LT3183A内置12位高精度SAR ADC, 用来检测I/O端口电压以及芯片的温度等信息,进而根据温度的变化或者RGB灯VF值的变化,对LED进行适当亮度补偿来确保全工作温度范围内的颜色的稳定性和一致性。IS32LT3183A已经通过严苛的汽车AEC-Q100测试认证以及第三方IHR德国益驰LIN兼容性测试认证,采用散热良好的SOP-8-EP封装,工作温度范围为-40℃-125℃。
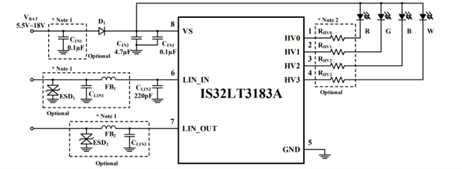
图一、IS32LT3183A典型应用电路
IS32LT3183A包含一个完整的LIN系统,包括收发器和MCU处理器,用于将RGB氛围灯模块与车辆现有的LIN网络连接起来。芯片采用了总线分流技术(BSM)可以对LIN总线上的多个节点进行自动寻址(SNPD),支持多个模块进行级联,装配之后自动分配地址,自动判断所在位置,不再受位置限制,大大简化了安装和维护工作。外部电路设计灵活并且极为精简,单总线连接,可以实现最小的模块尺寸和最低的BOM成本。
图二、IS32LT3183A多芯片级联氛围灯应用电路
IS32LT3183A为系统设计人提供了更高的可靠性和内置安全保障。 该芯片具有独立的LED开路、短路检测功能,可检测每个输出通道的故障。 支持过温报警和过热关断保护,保证芯片使用寿命。四个高压GPIO 口可承受最高8kv静电防护,大大提高系统的可靠性。内嵌Flash支持ECC保护(错误检查与纠正),保证数据存储稳定性和可靠性。
IS32LT3183A四个高压输出口可以重新配置为I2C或SPI主机接口。针对某些氛围灯应用,需要驱动多颗RGB LED,则需要使用多颗单通道LIN RGB LED驱动芯片,整个系统成本将会比较高。如果把IS32LT3183A作为LIN转I2C或SPI的转接器,配合LUMISSIL车规级多通道氛围灯驱动芯片IS32FL3237/38/40系列产品,可以大大降低整个系统成本。图三,LUMISSIL多通道RGB氛围灯解决方案。

图三、Lumissil多通道RGB氛围灯解决方案
LUMISSIL可以提供完整的工具链支持快速应用开发,包括GUI、PCB评估板、芯片烧写器Ezisp,LIN升级工具。为了简化客户的软件开发,我们还提供了所有必要的软件组件,包括LIN协议栈库、颜色混合算法库、数学库和MCU外设相关例程。

图四、IS32LT3183A开发环境
IS32LT3183A
• 工作电压范围:5.5V-18V,最大40V Load dump电压
• 休眠模式供电电低于60uA,可以通过LIN总线唤醒
• 4通道恒流源输出,每通道最大电流60mA
• 四个I/O端口可重配置为SPI或者I2C主机接口
• 内置MCU
√ 增强型8051 内核
√ 16MHz (±5%) 内部时钟
√ 内嵌32kB flash, 2kB SRAM
√ 支持双字节检测和单字节纠正的ECC保护
√ 12bit SAR ADC, 转换时间小于10us
√ 片上温度传感器
√ 16位乘法器(MUL)和32位除法器(DIV)
• LIN总线接口
√ 波特率19.2kbps
√ 符合LIN2.2A标准
√ 支持自动寻址(SNPD)
• LED 驱动
√ 每通道最大16 bit PWM
√ 采用矩阵运算进行颜色校准
√ LED温度补偿
√ 支持扩频功能,优化EMI性能
• 故障检测与保护
√ 开路/短路检测
√ 高温警报和过温关闭保护
√ LIN总线错误检测
√ GPIO 端口可承受±8KV ESD
• SOP-8-EP封装
• AEC-Q100认证